.webp)
.webp)
意昂体育新闻中心
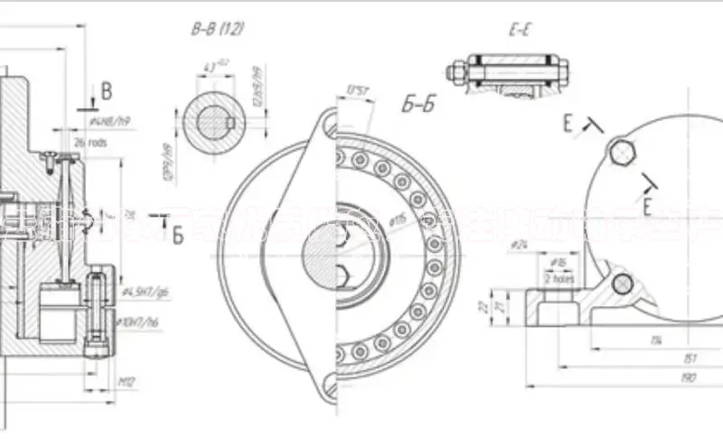
轴承知识
意昂体育平台注册ARGA公司标题:巴中更换轴承:专业技巧及注意事项全解析!在工业生产中,轴承是一个至关重要的组件,它承受着旋转零件的重量和转动力,确保机器设备正常运转
意昂注册平台官网入口观星盘:云南轴承厂家优质供应,专注滚动轴承生产在当今工业领域中,轴承是一种至关重要的零部件,它承担着支撑和减少摩擦的关键作用
意昂体育app网页版登录入口视觉中国汽车减速轴承:行驶安全与稳定的关键因素解析在汽车的行驶过程中,减速轴承是至关重要的组成部分,它直接影响着车辆的行驶安全和稳定性
意昂体育官网注册百度大脑FAG轴承牌子:质量可靠,性能卓越,全面解读!在机械设备领域,FAG轴承是备受推崇的知名品牌之一
意昂官网注册天键股份标题:探索轴承行业的发展趋势与周期解析,抓住未来的市场机遇与挑战随着全球工业化进程的不断推进,轴承作为机械传动中不可或缺的关键部件,扮演着至关重要角色
意昂体育官网注册一径科技:如何正确拆卸轴承衬套:详细步骤及注意事项在工业生产中,轴承是一种广泛应用的零部件,而拆卸轴承衬套是维护和更换轴承时必不可少的一环
意昂体育3娱乐用176五八27从极氪智能科技在选择轴承代理合作伙伴时,关键是找到最佳合作伙伴,以确保稳定的产品供应和良好的合作关系
意昂体育58同城当谈论到机械设备或者机械零部件中的关键组件时,轴承无疑是其中至关重要的一环
意昂体育app网页版登录入口百度游戏轴承冲床声音:解析原因及调试方法在日常的金属加工过程中,轴承冲床是一个常见且重要的设备
意昂体育3娱乐用176五八27从极氪智能科技轴承是现代机械设备中不可或缺的核心零部件,它承载着机器运转的扭矩并确保机械设备的正常运行